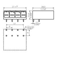
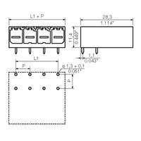
Weidmüller 1930310000 Male behuizing (board) BU/SU Totaal aantal polen: 6 Rastermaat: 7.62 mm Inhoud: 36 stuk(s)
Connectoren voor printplaten. Male connector, gesloten zijkant, soldeeraansluiting, 7,62 mm, aantal polen: 6, 90°, soldeerpenlengte: 3,5 mm, vertind, zwart, box. Eenrijige, hoogspannings- en High...
164,99


