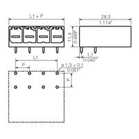
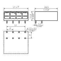
Weidmüller 1930290000 Male behuizing (board) BU/SU Totaal aantal polen: 4 Rastermaat: 7.62 mm Inhoud: 60 stuk(s)
Connectoren voor printplaten. Male connector, gesloten zijkant, soldeeraansluiting, 7,62 mm, aantal polen: 4, 90°, soldeerpenlengte: 3,5 mm, vertind, zwart, box. Eenrijige, hoogspannings- en High...
124,99



