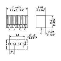
Weidmüller 1863330000 Male behuizing (board) BC/SC Totaal aantal polen: 12 Rastermaat: 3.81 mm Inhoud: 50 stuk(s)
Connectoren voor printplaten. Male connector, gesloten zijkant, reflow-soldeeraansluiting, 3,81 mm, aantal polen: 12, 180°, soldeerpenlengte: 3,2 mm, vertind, zwart, box. Hittebestendige male...
139,99



