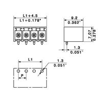
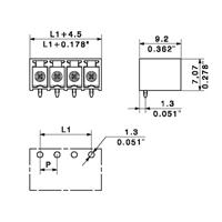
Weidmüller 1862480000 Male behuizing (board) BC/SC Totaal aantal polen: 3 Rastermaat: 3.81 mm Inhoud: 50 stuk(s)
Connectoren voor printplaten. Male connector, gesloten zijkant, reflow-soldeeraansluiting, 3,81 mm, aantal polen: 3, 90°, soldeerpenlengte: 3,2 mm, vertind, zwart, box. Hittebestendige male connector...
35,99



