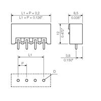
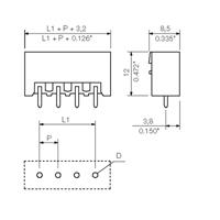
Weidmüller 1838210000 Male behuizing (board) BL/SL 5.08 Totaal aantal polen: 2 Rastermaat: 5.08 mm Inhoud: 100 stuk(s)
Connectoren voor printplaten. Male connector, zijkant gesloten, reflow-soldeeraansluiting, 5,08 mm, aantal polen: 2, 180°, soldeerpenlengte: 3,2 mm, vertind, zwart, box. Hittebestendige male connector...
42,99



