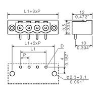
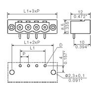
Weidmüller 1837800000 Male behuizing (board) BL/SL 5.08 Totaal aantal polen: 19 Rastermaat: 5.08 mm Inhoud: 20 stuk(s)
Connectoren voor printplaten. Male connector, flens, reflow-soldeeraansluiting, 5,08 mm, aantal polen: 19, 90°, soldeerpenlengte: 3,2 mm, vertind, zwart, box. Hittebestendige male connector met...
63,99


