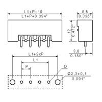
Weidmüller 1837340000 Male behuizing (board) BL/SL 5.08 Totaal aantal polen: 6 Rastermaat: 5.08 mm Inhoud: 50 stuk(s)
Connectoren voor printplaten. Male connector, flens, reflow-soldeeraansluiting, 5,08 mm, aantal polen: 6, 180°, soldeerpenlengte: 1,5 mm, vertind, zwart, box. Hittebestendige male connector met...
89,99



