Phoenix Contact Weerstandsthermometer meetomvormer 2902849Weerstandsthermometer meetomvormer MINI MCR-RTD-UI-NC configureerbaarDe teksten voor dit artikel zijn automatisch vertaald....315,-
Jumo Weerstandsthermometer 00671483De vastschroefbare weerstandsthermometer maakt, vanwege de temperatuurafhankelijkheid van de elektrische weerstand van de ingebouwde Platinum-sensor en de speciale behuizing, temperatuurmetingen in...134,99
Jumo Weerstandsthermometer 00650836De vastschroefbare weerstandsthermometer maakt door de temperatuurafhankelijkheid van de elektrische weerstand van de ingebouwde Platinum-sensor en de speciale behuizingsvorm temperatuurmetingen in...109,99
Jumo Weerstandsthermometer 543945Inschroefbare weerstandsthermometers voor standaardtoepassingen worden bij voorkeur gebruikt voor temperatuurmetingen in vloeibare en gasvormige media. De betrouwbare dichtheid van dit inbouwmodel bij...144,99
Jumo Weerstandsthermometer 410556Verschillende uitvoeringen van kunststof met verschillende beschermingsklassen zijn voor de betreffende meettaak beschikbaar.In het meetelement wordt standaard een Pt100-temperatuursensor conform DIN...91,99
Emko Weerstandsthermometer RTSM-M06-L050-K01 Sensortype Pt100EMKO RTSM-M06-L050-K01 Pt100 insteekweerstandsthermometer met gevlochten kabel....31,99
Phoenix Contact Meetomvormer met thermo-element 2902851Thermo-element meetomvormer MINI MCR-TC-UI-NCDe teksten voor dit artikel zijn automatisch vertaald....335,-
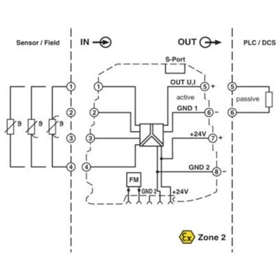
Phoenix Contact MINI MCR-2-RTD-UI Temperatuurmeetomvormer 2902049Temperatuurmeetomvormer voor weerstandsthermometer en weerstand potentiometer. Configureerbare, 3-weg gescheiden temperatuurmeetomvormer met insteekbare aansluittechniek. Het apparaat is geschikt voor...275,-
-30%Phoenix Contact MACX MCR-T-UI-UP Programmeerbare temperatuurmeetomvormer 2811394Vrij programmeerbare temperatuurmeetomvormer met analoge uitgang en 1 grenswaarderelais, standaardconfiguratie, weerstandsthermometer met 2-, 3- of 4-geleidertechniek, thermische elementen, Galvanisch...449,-315,-