
Ideal Tek ST-5S-BT2 Probe 1 stuk(s)
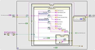
Net als bij het ST-5S-model vereenvoudigt Smart Tweezers het test- en foutherstelproces aanzienlijk. Weerstand, capaciteit en inductiviteit kunnen door automatische selectie van de testparameters en...
585,-
Snel naar
PrijzenProductomschrijvingProductspecificaties