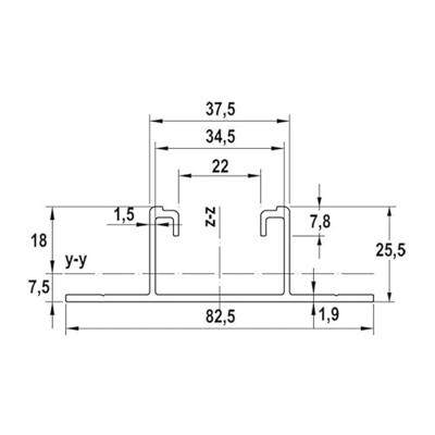
Fischer 512195 SolarFlat Blechdach 400 AL Dakrails
fischer Solar Flat plaatdak is een rail van aluminiumlegering voor de bevestiging van fotovoltaïsche installaties op platte of schuine daken met trapeziumplaat en orthogonale bevestiging. Door het...
259,-



