DEHN 909703 DGA FF TV Overspanningsbeveiliging (verdeelkast) Overspanningsbeveiliging voor: DVB-S, satelliet (F-stekker) 1.5 kA 1 stuk(s)
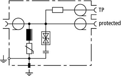
Externe voeding geschikte overspanningsafleider met F-aansluiting voor 75 Ohm SAT- en BK-installaties. De afleiders voldoet aan de verhoogde afscherming eisen van klasse A conform EN 50 083-2....
93,99
87,99


