Ceres Square Inbouw 3-Wegs Douchethermostaat Vierkant Chroom Aqua Splash
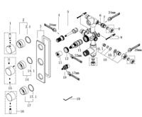
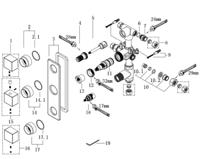
Ceres Square inbouw 3-wegs douchethermostaat vierkant chroomMooie inbouw douchethermostaat met vierkante knoppen, van goede kwaliteit. Deze kranen zijn ingebouwd en kunnen aan de buitenzijde niet warm aanvoelen. De onderste knop is een aan/uit knop voor een uitgang. De middelste knop is de thermostaatbediening met begrenzer op 38 graden en de bovenste knop keuze tussen hoofd- en handdouche. Dit product wordt geleverd door heel Nederland.Specificaties: * Vierkante knoppen * keramische schijven * Inbouw * Chroom kleur Afmetingen * 75x185mm bodemplaat
337,59
248,31
